有關絞龍吊掛件的疑難雜癥
絞龍由于長時間使用機身部件出現磨損是不可避免的,如果不注意維護容易出現漏料、機身抖動、噪音甚至軸承抱死等情況,需要及時對那些易損部件進行維修才能保證設備正常使用,常見的易損件有吊掛軸承以及密封墊圈等部位,這里我們將其維修的方法及步驟總結出來,方便用戶參照進行維修。

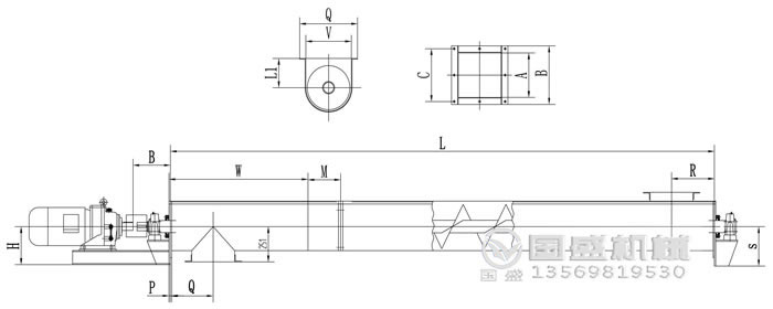
電機和減速機一般不會出現什么問題,除了絞龍負載過大造成電機發熱過大等方面的原因,基本上不容易出現損壞。需要注意的就是吊掛軸承了。如果用戶要求的輸送距離較遠,在輸送機內需要吊掛軸承來支承螺旋軸,物料在輸送過程中是和吊掛軸承相互接觸,如果軸承內部進入物料,容易阻礙軸承滾珠滾動,甚至堵死,嚴重的造成螺旋軸斷裂。所以在使用過程中需要經常對其進行檢查。
絞龍的吊軸和螺旋軸較好采用滑塊連接,使的電機在啟動的時候減少聯軸器和螺旋軸之間的機械碰撞,起到緩沖的作用。
絞龍出料端堵料問題:當輸送過量粉料時,物料逐步擠壓而積料,導致螺旋軸擠死不轉或出料口積料。對此問題進行分析:在螺旋葉片推動下,粉料將被輸送到出料端,在出料端的端部機殼內就會堆積部分粉料,粉料的過量堆積會加劇絞龍葉片的磨損。
絞龍的物料運行方向取決于螺旋葉片的旋向結構(左旋結構或右旋結構)。所以,在卸料端的螺旋實體端部,設計一段與推進螺旋葉片的旋向相反的螺旋葉片(如推進葉片為左旋結構,則在端部設置一段右旋結構的葉片),依據卸料口到端部的距離,通常設置半個節距或一個節距即可。端部的反向螺旋吧越過卸料口的物料返回推向卸料口,起到反向清掃的作用。如此改進后,卸料端積料的問題迎刃而解。


上一篇:怎樣減少無軸滾筒篩的噪音 下一篇:振動篩效率為什么低?從以下幾個方面著手











